您好!欢迎访问合肥仁楷智能装备有限公司官网!
咨询热线:
138-1681-8164
网站首页
关于仁楷
公司简介
企业文化
产品中心
高压系列
低压系列
通用产品
新闻资讯
服务与支持
联系我们
网站首页
关于仁楷
公司简介
企业文化
产品中心
高压系列
低压系列
通用产品
新闻资讯
服务与支持
联系我们
产品中心
为您带来性能稳定、安全耐用、价格实惠的高性价比选择
当前位置:
首页
产品中心
通用产品
产品中心
高压系列
低压系列
通用产品
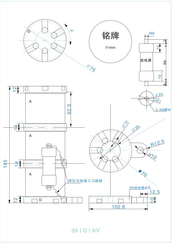
一次消谐器
上一条:
小电流接地选线装置2
下一条:
RKDMH电气火灾自动报警灭火系统
返回列表
立即咨询:138 1681 8164